Bản vẽ thi công trong các dự án xây dựng – cơ khí – điện, bao gồm từ khâu khảo sát, bóc tách yêu cầu, đến lập bản vẽ chi tiết phục vụ thi công thực tế cho từng hạng mục chuyên biệt: mái che, tường bao, hệ thống điện và thiết bị cơ khí.
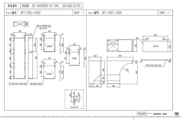
1. Bản vẽ mái che, tường bao kim loại
– Xác định yêu cầu và thông số kỹ thuật mái che, tường bao theo nội dung đã thống nhất trong các buổi họp với bên thiết kế, thi công.
– Xác định phạm vi mái che, tường bao từ bản vẽ kiến trúc, đưa ra phương án bố trí, thi công phù hợp.
– Đưa ra các chỉ thị, yêu cầu cụ thể về khung lót cho các bên liên quan.
– Lập các bản vẽ bố trí, chi tiết lắp ghép đặc biệt của mái che, tường bao và đề xuất giải pháp tối ưu cho khách hàng, hỗ trợ thi công chính xác và hiệu quả.
![]() |
![]() |

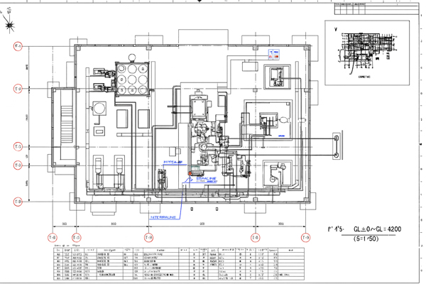
2. Bản vẽ hệ thống điện
– Thiết kế & bố trí tổng thể: lập các bản vẽ bố trí, kết nối dây, chế tạo, sơ đồ tuyến cáp và ống dẫn.
– Thiết kế chi tiết máng cáp: Tối ưu đường đi cáp, tiết kiệm không gian, tuân thủ tiêu chuẩn; từ sơ đồ bố trí đến bản vẽ gia công chi tiết (ghi rõ mã sản phẩm, vị trí, vật liệu, số lượng).
– Bản vẽ điều khiển cho nhà máy điện sinh khối: thể hiện đường đi cáp từ các cảm biến, động cơ, thiết bị trường đến tủ điều khiển; sơ đồ kết nối TB.
– Giải pháp thiết kế chú trọng tính khả thi trong thi công và quản lý vật liệu, khách hàng triển khai nhanh, chính xác và tối ưu chi phí.
![]() |
![]() |
|
![]() |
![]() |
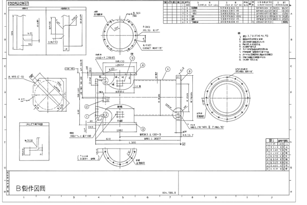
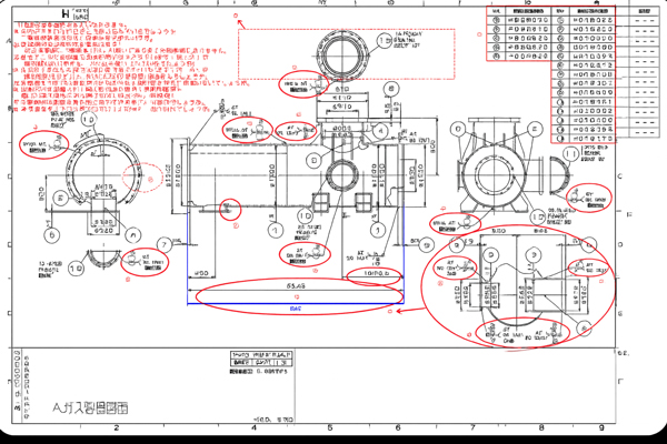
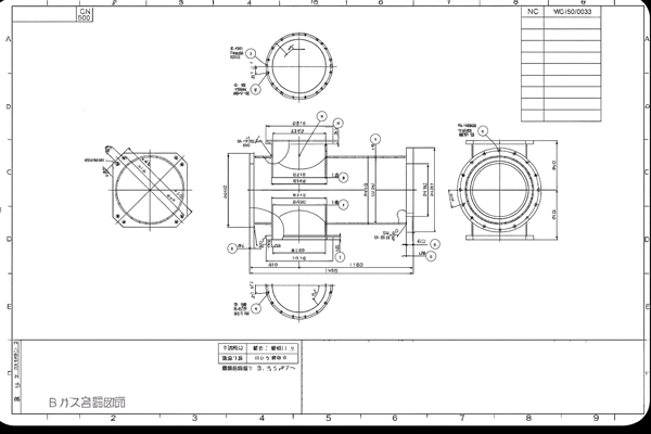
3. Bản vẽ thiết bị cơ khí
– Lập bản vẽ gia công dựa trên thiết kế ban đầu, phục vụ cho sản xuất ở nhà máy.
– Hoàn thiện, bổ sung chi tiết để cung cấp đầy đủ và chính xác thông tin phục vụ sản xuất:
+ Loại và tiêu chuẩn vật liệu.
+ Góc vát, hình dạng, ký hiệu và tiêu chuẩn hàn.
+ BOM (danh mục vật tư) và mã lắp ghép cho từng bộ phận.
– Đảm bảo bản vẽ phản ánh đúng yêu cầu sản xuất và quy trình thực tế, giúp quá trình gia công diễn ra thuận lợi.
![]() |
![]() |
|
![]() |
![]() |












